Главная
→ Точечная сварка батарей
→ Точечная сварка батарей. Панель управления.
Точечная сварка батарей. Панель управления.
Описание товара
Перевод описания с китайско-английского. Другого к сожалению нет.
Согласующий трансформатор можно посмотреть по ссылке :
Если питания отключения происходит, проверьте, что трансформатор имеет состояние короткого замыкания, или ли обмотки трансформатора разумно, или тиристора фазы инвертирован. Доска связано в петлю, только эквивалентно функции переключения, даже если плата scr короткого замыкания будет только привести к канал не отрезать, работает, и не приведет к линии отключения.
Высокой мощности машины более 2kW, будет очень высокий ток возбуждения, что приведет к отключения проблемы
Если мощность ниже 1kW, рекомендуется выбирать, оснащенный BTA24-800, И если сила в 1-2kw, рекомендуется выбирать BTA41-600 или BTA41-800 доска. Если мощности выше 2kW, рекомендуется выбирать scr + SCR модуль.
Управляемые диски предназначены для размещения выше силовых нагрузок, потому что двунаправленный Тиристор мощности не большой и как правило, только 40A. Так что если вы хотите чтобы подтолкнуть большие нагрузки, использование кремния контролируемых кремния. Так как есть много дополнительных модели тиристора, это только диск, который не содержит тиристора. Должны быть оснащены scr.
&Quot;Мощность трансформатор: 8-12 В AC Частота силовой трансформатор". (Обратите внимание, что силовых трансформаторов должен использоваться, Блок питания импульсный источник питания не может работать!)
&Quot;Стандартный управляемые выпрямитель BTA24-800, номинальный ток 25A, напряжение 800 В, можете управлять следующими 1KW трансформатор. Другой BTA41-600 (40A, 600 В) может быть выбран и BTA41-800 (40A, 800 В) может быть дополнительно, подходит для 1-2KW трансформатор.
Сколько тиристорный может управлять Большой Трансформатор, который является, вероятно чехол. 25a's теоретической грузоподъемность 25x220 = 5500 Вт. Теоретическая грузоподъемность 40A 40x220 = 8800 Вт. Кажется очень большой, на самом деле, потому что трансформатор для точечной сварки работает рядом с короткого замыкания состояние и работает при высокой нагрузке. Мгновенная мощность 1 кВт трансформатора может достигать 3 кВт-4 кВт. 2 кВт трансформатор 6 кВт-8 кВт. Так, чтобы положить его просто, если ваш трансформатор меньше чем 1 кВт, выберите 25. Если это между 1-2 кВт, выбрать 40 безопасности.
Если вы хотите Drive трансформатор больше, пожалуйста scr контроллера или drive + 100 Encore управляемые модуль. Может поддерживать scr ниже 1000A. Метод использования является точно тем же как панели управления, но проводка будет сделать разницу.
SW гнездо на мастер доска является тем же как J3 разъем на панели управления. Это ножной переключатель разъем.
Функция Введение:
≫ может быть установлен на Двойной импульс, один импульс. Вы можете регулировать расстояние между двумя Колонка импульсов. Максимальный интервал составляет 500 миллисекунд.
Когда пульс время два импульсов 0, это один импульсный режим работы. В один импульсный режим, пожалуйста, установите интервал импульса до 0.
Текущий и время первого импульса, а второй импульс может быть установлен отдельно. Максимальная продолжительность каждого импульс может быть 0.99 секунд.
≫ энкодер, который можно настроить все параметры нажав короткие переключатель параметр. Когда символ "<" находится позади P1, В вращающийся регулятор настраивает процент ток для первого импульса. Когда символ "<" находится позади P2, В вращающийся регулятор настраивает процент ток второй импульсов. Регулировка времени метод отличается. Разница в том, что знак *. Короткие изменение пресс, длительное нажатие, очистить текущий параметр. Первый номер является время работы первый импульс, в миллисекундах. Вторая цифра является интервал между двумя импульсы, в миллисекундах. Третья цифра является вторым импульса время работы, в миллисекундах.
По умолчанию красный код положение переключателя 00 и длинный задержки 100 мс (0.1 секунд).
Если набран для 10, длинный задержка равна 200 мс (0.2 секунд).
Если набран для 01, длинный задержка равна 500 мс (0.5 секунд).
Если набран для 11, длинный задержка равна 990 мс (0.99 секунд).
Метод подключения, в котором зеленая линия не может напрямую подключается к основной трансформатор через плату. Это своего рода метод, который является более мощным. Потому что зеленая линия на плате подключен непосредственно к терминала. Так что это же минуя доски.

Оснащен BTA24-800 или BTA140800, или BTA41-600, или BTA41-800, низкая мощность доска схема:

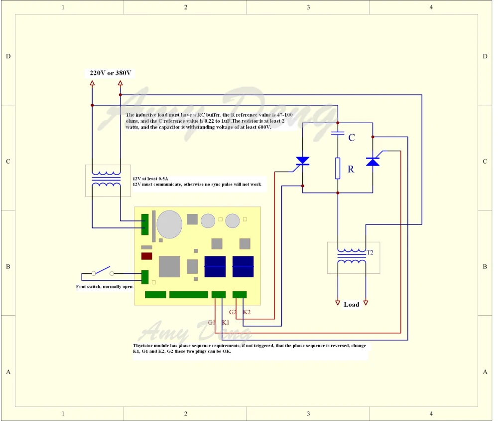
Управляемые вождения доска связи и двунаправленный Тиристор соединения:

Соединение scr или SCR модуль обусловлено тиристорный




















Комментарии
Пока нет комментариев